• Hola Invitado, Foromecanicos es el Foro de Automecanico y Autoelectronico - informacion sobre mecanica automotriz, computers, encendido y auto electronics, diagramas.

caja transferencia izusu rodeo 97

Estado
Cerrado para nuevas respuestas.

HUICHO50

Master!
caja transferencia izusu rodeo 97 - transfer

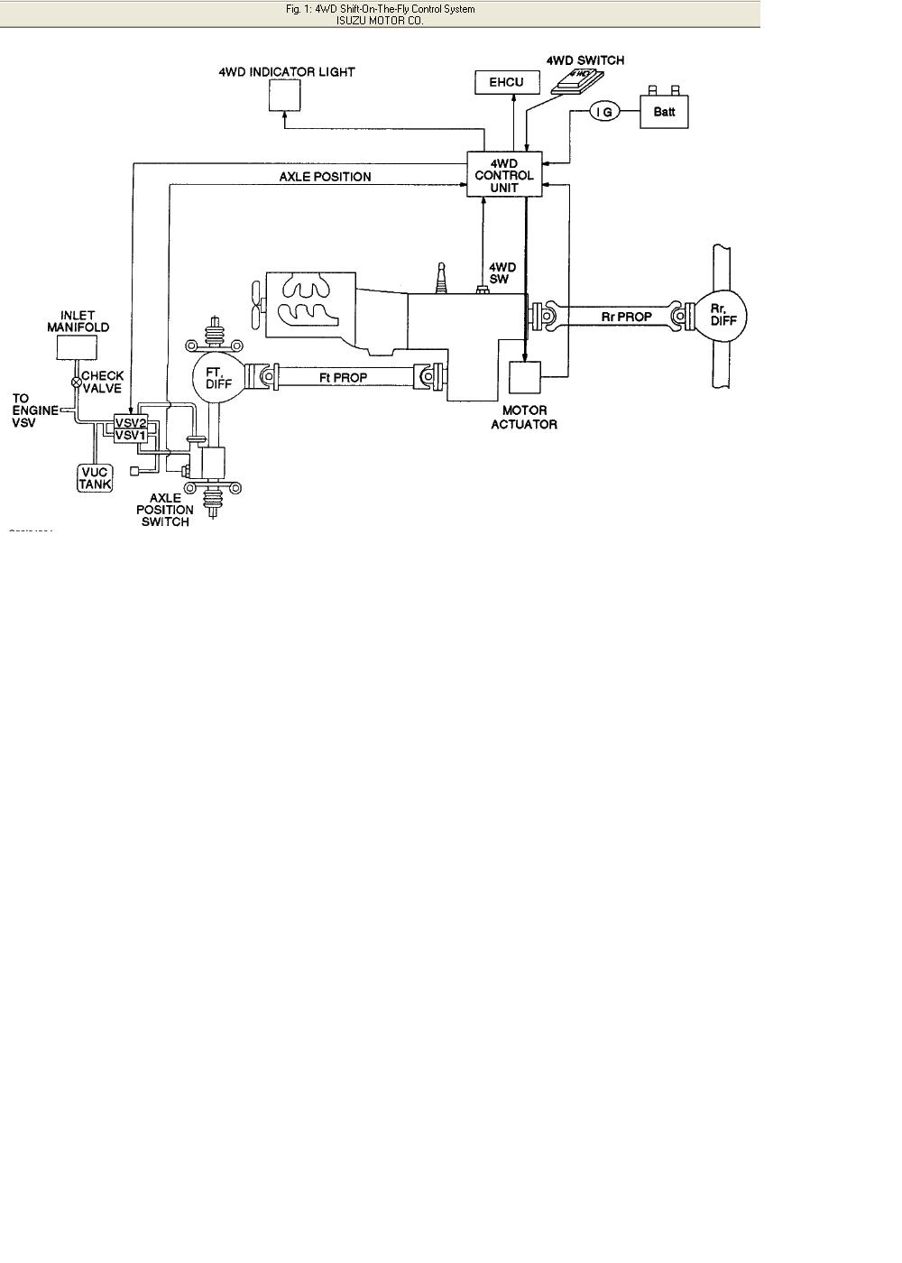
diagramas electricos y vacio......................
 

Adjuntos

  • DIAGRAMA IZUSU 97.JPG
    DIAGRAMA IZUSU 97.JPG
    80,9 KB · Visitas: 554
  • DIAGRAMA IZUSU 97-2.JPG
    DIAGRAMA IZUSU 97-2.JPG
    62,4 KB · Visitas: 479
  • DIAGRAMA IZUSU 97-3.JPG
    DIAGRAMA IZUSU 97-3.JPG
    71,9 KB · Visitas: 479
  • IZUSU RODEO 4X4 97.JPG
    IZUSU RODEO 4X4 97.JPG
    66,4 KB · Visitas: 522
  • IZUSU RODEO 4X4 97-2.JPG
    IZUSU RODEO 4X4 97-2.JPG
    66,9 KB · Visitas: 557
Última edición:
Estado
Cerrado para nuevas respuestas.

Siguenos en:
El contenido de especificaciones técnicas,comentarios, opiniones y otros datos en este foro sólo son con fines informativos y son de exclusiva responsabilidad de cada usuario. Foromecanicos.com no puede y no verifica ni garantiza la exactitud o exhaustividad de la información. Usted utiliza este sitio web bajo su propio riesgo y solo con fines informativos. Las marcas y los logotipos de los fabricantes de automóviles en esta página web son propiedad de los titulares de las mismas. Usamos cookies.Si continúas utilizando este sitio, estás consintiendo utilizar cookies.
Arriba