• Hola Invitado, Foromecanicos es el Foro de Automecanico y Autoelectronico - informacion sobre mecanica automotriz, computers, encendido y auto electronics, diagramas.

ayuda con chevrolet 2004 doble rodada no jala gasolina del segundo tanque

Estado
Cerrado para nuevas respuestas.
buen dia, unas preguntas:¿como funciona el sist. de combustible de una camioneta chevrolet 2004 doble rodada,3 1/2 tons. con doble tanque de qasolina,la falla que presenta: es que no jala la gasolina del segundo tanque, nadamas de uno y cuando se termina pues se apaga la camioneta, aunque tenga gasolina el segundo tanque.un mec. le cambio su bomba y sigue con la falla. no tengo mas datos. porque el cliente me va a llevar la camioneta a mi taller en estos dias. y como tengo el michel viejito, pues me quedo corto con estos datos,y los diagramas electricos. les pido ayuda por favor.
 
Re: ayuda con chevrolet 2004

buen dia, unas preguntas:¿como funciona el sist. de combustible de una camioneta chevrolet 2004 doble rodada,3 1/2 tons. con doble tanque de qasolina,la falla que presenta: es que no jala la gasolina del segundo tanque, nadamas de uno y cuando se termina pues se apaga la camioneta, aunque tenga gasolina el segundo tanque.un mec. le cambio su bomba y sigue con la falla. no tengo mas datos. porque el cliente me va a llevar la camioneta a mi taller en estos dias. y como tengo el michel viejito, pues me quedo corto con estos datos,y los diagramas electricos. les pido ayuda por favor.

que tal meca lo que se me ocurre es que el boton de cambio de tanque debe de estar dañado casi lo que se jode es ese boton y los mecanicos dicen que es la bomba pero serciorate bien que traiga cambio de tanque si quieres cuando te la llevan me mandas un privado y si tengo el diagrama te lo mando okyyyyyyyy saludos ........
 
Re: ayuda con chevrolet 2004

que tal meca lo que se me ocurre es que el boton de cambio de tanque debe de estar dañado casi lo que se jode es ese boton y los mecanicos dicen que es la bomba pero serciorate bien que traiga cambio de tanque si quieres cuando te la llevan me mandas un privado y si tengo el diagrama te lo mando okyyyyyyyy saludos ........
ok. gracias, tan pronto y tenga la camioneta, reviso y te mando un mensaje.
 
Re: ayuda con chevrolet 2004

que tal meca lo que se me ocurre es que el boton de cambio de tanque debe de estar dañado casi lo que se jode es ese boton y los mecanicos dicen que es la bomba pero serciorate bien que traiga cambio de tanque si quieres cuando te la llevan me mandas un privado y si tengo el diagrama te lo mando okyyyyyyyy saludos ........
no tiene interruptor de cambio de tanque, ese boton lo traen las de mod. 90´s pero esta que es 2004 no lo trae. haber si tienes los diagramas electricos. o alguna referencia.
 
Re: ayuda con chevrolet 2004

no tiene interruptor de cambio de tanque, ese boton lo traen las de mod. 90´s pero esta que es 2004 no lo trae. haber si tienes los diagramas electricos. o alguna referencia.

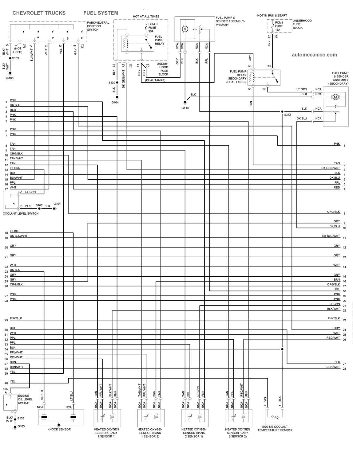
Aqui te adjunto un diagrama; espero sea el que ocupas.
Saludos
 

Adjuntos

  • imagchevy016.jpg
    imagchevy016.jpg
    125,3 KB · Visitas: 6.242
Re: ayuda con chevrolet 2004

Damian, estuve analizando el diagrama que enviaste pero hace falta la siguiente grafica, ya que las 2 lineas que activan el relay de la bomba de gasolina sale de esta grafica hacia la siguiente para ver que es lo que lo activa, pero suguramente va a ser la ECU, que activa las bombas, y por el momento no tienen switch de cambio de tanque o algo asi.....

Para mi que antes que nada MECATRONIC, revisale ese fusible que dice que esta en el motor, que dice PCM1, y luego lo demas,

saludos
 
Re: ayuda con chevrolet 2004

buen dia, unas preguntas:¿como funciona el sist. de combustible de una camioneta chevrolet 2004 doble rodada,3 1/2 tons. con doble tanque de qasolina,la falla que presenta: es que no jala la gasolina del segundo tanque, nadamas de uno y cuando se termina pues se apaga la camioneta, aunque tenga gasolina el segundo tanque.un mec. le cambio su bomba y sigue con la falla. no tengo mas datos. porque el cliente me va a llevar la camioneta a mi taller en estos dias. y como tengo el michel viejito, pues me quedo corto con estos datos,y los diagramas electricos. les pido ayuda por favor.

Si lo deseas puedo proporcionarte el diagrama de gestion motor que es donde viene esto de los tanques, solo nesesito saber si es 6.0 L, 6.6 L. vin 1, 6.6 L. vin2 o el 8.1 L. para que sea mas especifico si lo deseas dejame tu correo saludos y suerte.
 
Re: ayuda con chevrolet 2004

Damian, estuve analizando el diagrama que enviaste pero hace falta la siguiente grafica, ya que las 2 lineas que activan el relay de la bomba de gasolina sale de esta grafica hacia la siguiente para ver que es lo que lo activa, pero suguramente va a ser la ECU, que activa las bombas, y por el momento no tienen switch de cambio de tanque o algo asi.....

Para mi que antes que nada MECATRONIC, revisale ese fusible que dice que esta en el motor, que dice PCM1, y luego lo demas,

saludos

Bueno; mejor les dejo el enlace:
http://www.automecanico.com/auto2012/esqgm16.html
Saludos
 
Re: ayuda con chevrolet 2004

Hola cheque el diagrama y al parecer la falla puede ser en el fusible del relay secundario de la bomba, o le linea que sale del relay secundario, checa esas dos que no esten abiertas o checa tambien el relay secundario, las otras dos lineas que se van hacia la derecha me parece que son las del nivel de gasolina eso creo yo, saludos que estes bien
 
Re: ayuda con chevrolet 2004

revisa los fusibles, y las lineas asi como el relay de la bomba secundaria, y la linea de la ECU, que activa el relay de la bomba secundaria, por ahi tiene que tener el problema....

mmmmm si tiene 2 flotes de gasolina, revisa que el primario este bueno, porque creo que la ECU, activa la bomba secundaria cuando el tanque primario ya no tenga gasolina y prenda la lucesita de gasolina.... tambien por ahi puede estar el problema...

Saludos
 
Re: ayuda con chevrolet 2004

ke tal mecatron lo ke te sugiero si kontinuas kon tu falla es lo siguiente:
cheka tu fusible esa camioneta no trae boton para el cambbio de tanke pero si tus fusibles estan ok el problema puede ser tu bomba saka la bomba del tanke y konektala, teniendo kuidado kon el kombustible pon hasta arriba el flotador komo si tuviese el tanke lleno abres la llave y lentamente vas bajando el flotador si asi te manda gas el 2do tanke tu problema esta en tu flotador ke es de mala kalidad pero si no hay retorno de gas tu problema es el modulo ke se enkuentra en el chassis justo antes del filtro deberas reemplazarlo pero 1ro has la prueba ke te digo del fotador no pierdes nada me komentas a ver ke paso ok saludos
 
Estado
Cerrado para nuevas respuestas.

Siguenos en:
El contenido de especificaciones técnicas,comentarios, opiniones y otros datos en este foro sólo son con fines informativos y son de exclusiva responsabilidad de cada usuario. Foromecanicos.com no puede y no verifica ni garantiza la exactitud o exhaustividad de la información. Usted utiliza este sitio web bajo su propio riesgo y solo con fines informativos. Las marcas y los logotipos de los fabricantes de automóviles en esta página web son propiedad de los titulares de las mismas. Usamos cookies.Si continúas utilizando este sitio, estás consintiendo utilizar cookies.
Arriba